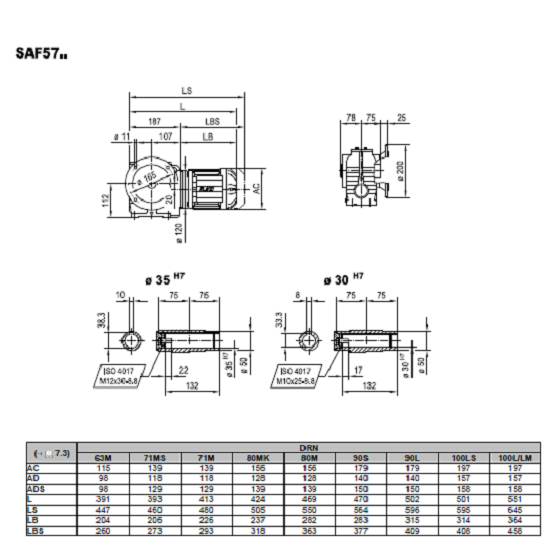
SAF57
Toutes les informations ne vous sont données qu'à titre indicatif et ne pourront engager notre responsabilité. Nous vous remercions de contrôler l'ensemble des côtes (diamètre d'arbre, hauteur d'axe, fixation bride ou pattes...).
Vitesse Entrée Réducteur

Vitesse Entrée 2900 tr/min

Vitesse Entrée 1450 tr/min

Vitesse Entrée 950 tr/min

Vitesse Entrée 725 tr/min

Vitesse Entrée 450 tr/min

Vitesse Entrée 360 tr/min