reception
Who are we?
Réducteur
Moteur Asynchrone ELK
NOS PRODUITS
▼
Variateur
Fonderie MES
E-Commerce
Outils
▼
CALCULATEUR
CONCURRENT
Nos coordonnées
▼
Contact
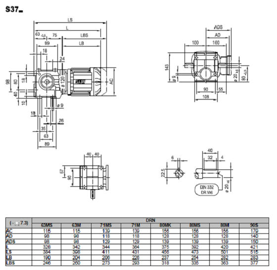
S37
Toutes les informations ne vous sont données qu'à titre indicatif et ne pourront engager notre responsabilité. Nous vous remercions de contrôler l'ensemble des côtes (diamètre d'arbre, hauteur d'axe, fixation bride ou pattes...).