reception
Who are we?
Réducteur
Moteur Asynchrone ELK
NOS PRODUITS
▼
Variateur
Fonderie MES
E-Commerce
Outils
▼
CALCULATEUR
CONCURRENT
Nos coordonnées
▼
Contact
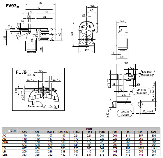
FV97