Accueil
Qui sommes nous ?
NOS PRODUITS
▼
Réducteur
Moteur Asynchrone ELK
Variateur
Fonderie MES
E-Commerce
Outils
▼
CALCULATEUR
CONCURRENT
Nos coordonnées
▼
Contact
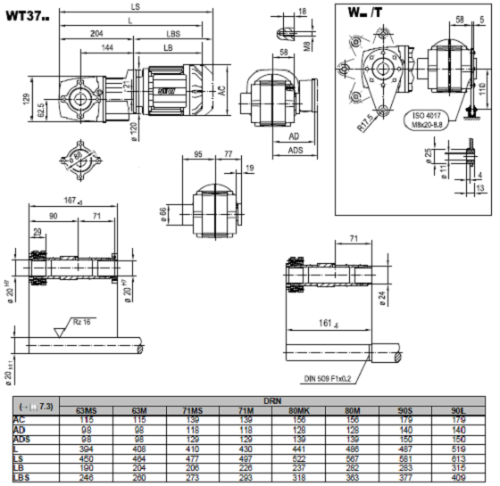
WT37
Toutes les informations ne vous sont données qu'à titre indicatif et ne pourront engager notre responsabilité. Nous vous remercions de contrôler l'ensemble des côtes (diamètre d'arbre, hauteur d'axe, fixation bride ou pattes...).