Accueil
Qui sommes nous ?
NOS PRODUITS
▼
Réducteur
Moteur Asynchrone ELK
Variateur
Fonderie MES
E-Commerce
Outils
▼
CALCULATEUR
CONCURRENT
Nos coordonnées
▼
Contact
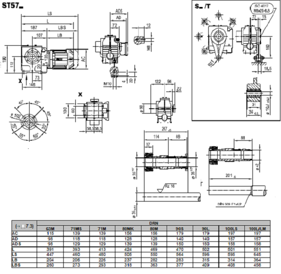
ST57
Vitesse Entrée Réducteur
Vitesse Entrée 2900 tr/min
Vitesse Entrée 1450 tr/min
Vitesse Entrée 950 tr/min
Vitesse Entrée 725 tr/min
Vitesse Entrée 450 tr/min
Vitesse Entrée 360 tr/min