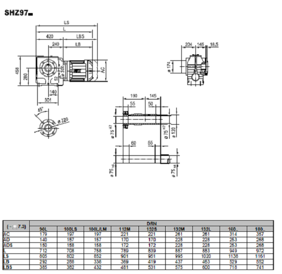
SHZ97