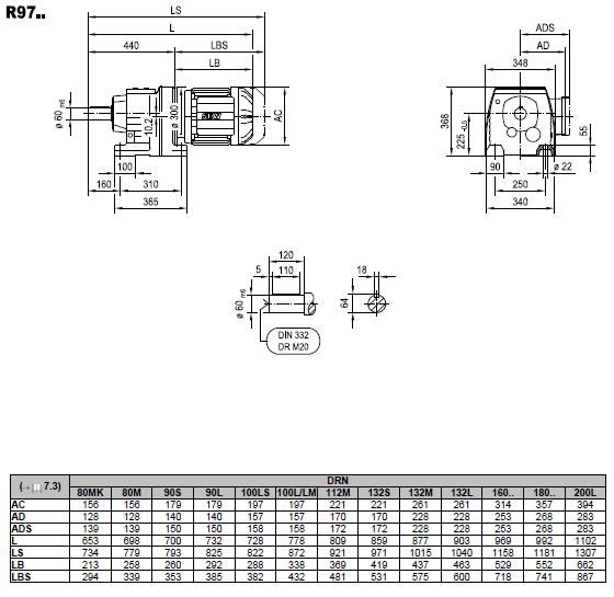
R97