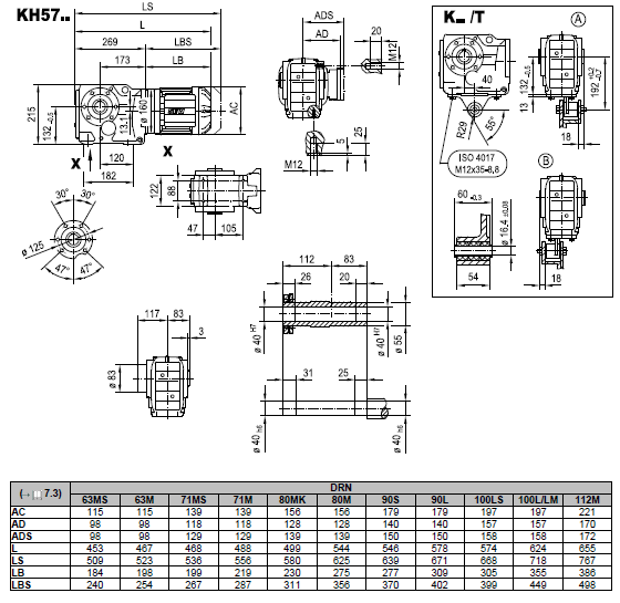
KH57