Accueil
Qui sommes nous ?
NOS PRODUITS
▼
Réducteur
Moteur Asynchrone ELK
Variateur
Fonderie MES
E-Commerce
Outils
▼
CALCULATEUR
CONCURRENT
Contact
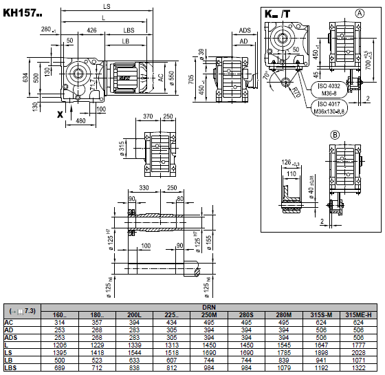
KH157